Gearhead
기어헤드
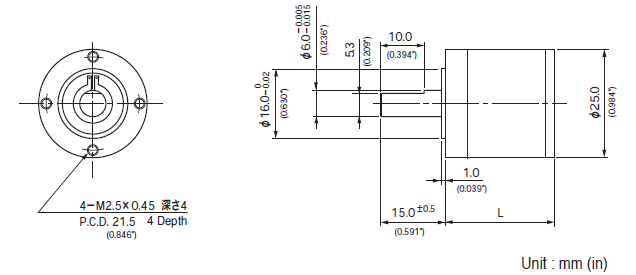
ZCP/ZJP/ZMP/ZAP/ZFP Series
제품 목록으로 돌아가기
제품 소개

고출력, 소형, 경량으로 높은 감속비가 가능한 기어헤드입니다. ZCP, ZJP, ZMP, ZAP, ZFP 시리즈로 총 9종의 다양한 라인업을 제공합니다.
- 고출력: 소형, 경량으로 높은 감속비가 가능합니다.
- 낮은 백래시: 정밀한 기어 가공으로 백래시가 적습니다.
- 저소음, 저진동: 정밀한 기어 맞물림으로 저소음, 저진동을 실현했습니다.
- 높은 효율: 최적화된 기어 설계로 높은 전달 효율을 달성했습니다.
- 다양한 감속비: 1/4부터 1/1296까지 광범위한 감속비를 제공합니다.
- 풍부한 라인업: ZCP, ZJP, ZMP, ZAP, ZFP 시리즈로 총 9종의 모델을 제공합니다.
전체 모델 라인업
모델명 | 시리즈 | 외경 (mm) | 길이 (mm) | 감속비 | 토크 (Nm) | 출력 (W) | 최대RPM |
---|---|---|---|---|---|---|---|
ZCP시리즈 | ZCP | 13 | 16.6~26.8 | 1/4~1/864 | 0.05~4.08 | 0.7~2.4 | 14000 |
ZJP시리즈 | ZJP/SJP | 18 | 19.4~33.5 | 1/4~1/1296 | 0.13~1.20 | 1.1~4.0 | 12000 |
ZMP시리즈 | ZMP/SMP | 25 | 24.7~44.6 | 1/4~1/1296 | 0.25~3.00 | 2.5~8.0 | 10000 |
ZAP시리즈 | ZAP/SAP | 30 | 29.9~52.7 | 1/4~1/1296 | 0.40~4.80 | 4.0~13.0 | 10000 |
ZFP시리즈 | ZFP/SFP | 38 | 35.2~64.7 | 1/5.43~1/868.44 | 1.50~10.0 | 8.0~16.0 | 7000 |
SJP시리즈 | ZJP/SJP | 18 | 19.4~33.5 | 1/4~1/1296 | 0.13~1.20 | 1.1~4.0 | 12000 |
SMP시리즈 | ZMP/SMP | 25 | 24.7~44.6 | 1/4~1/1296 | 0.25~3.00 | 2.5~8.0 | 10000 |
SAP시리즈 | ZAP/SAP | 32 | 29.9~52.7 | 1/4~1/1296 | 0.40~4.80 | 4.0~13.0 | 10000 |
SFP시리즈 | ZFP/SFP | 42 | 35.2~64.7 | 1/5.43~1/868.44 | 1.50~10.0 | 8.0~16.0 | 7000 |